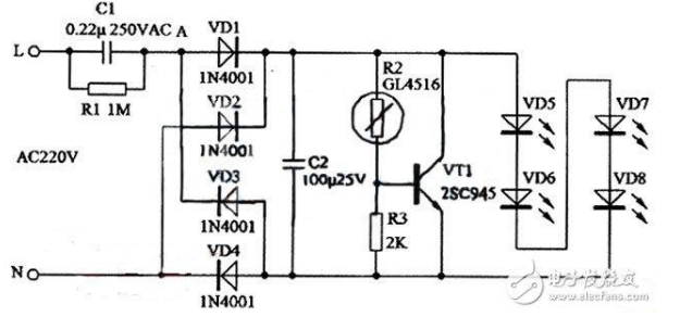
LED楼道灯的电路如下图所示。电路由电容降压电路、整流电路、LED发光电路和光电控制电路等部分组成。

220V交流电经电容C1、R1降压限流后在A、B两点的交流电压约为15V,由VD1~VD4.进行整流,在C2上得到约14V的直流电压作为高亮度发光二极管VD5~VD8的工作电压,发光二极管的工作电流约为14mA。由于电容C1不消耗有功功率,泄放电阻消耗的功率可忽略不计,因此整个电路的功耗约为15&TImes;0.014≈0-2(W)。
为了进一步节省电能和延长高亮度发光二极管的使用寿命,电路中加入了由光敏电阻R2、电阻R3和三极管VT1等组成的光电控制电路,在夜晚光敏电阻R2的阻值可达100K以上,这时C2两端的电压经R2、R3分压后提供给VT1基极的直流偏置电压很小,VT1截止,对发光二极管的工作没有任何影响;白天时,由于光电效应的作用,R2的阻值可减小到1OK以下,这时VT1导通并接近饱和,由于通过C1的电流大只能达到15mA,由于VTl的分流,C2上的电压可下降到4V以下。
联系人:张总
手机:18016426289
电话:18016426289
邮箱:26586601@qq.com
地址: 上海市青浦区北青公路6588号