行业新闻

开关电源波纹的产生、测量及抑制,一篇全搞定!

开关电源纹波的产生

 

我们终的目的是要把输出纹波降低到可以忍受的程度,达到这个目的根本的解决方法就是要尽量避免纹波的产生,首先要清楚开关电源纹波的种类和产生原因。

 

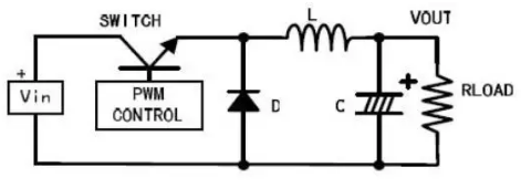
1.png 

 

上图是开关电源中简单的拓扑结构-buck降压型电源。

 

随着SWITCH的开关,电感L中的电流也是在输出电流的有效值上下波动的。所以在输出端也会出现一个与SWITCH同频率的纹波,一般所说的纹波就是指这个。它与输出电容的容量和ESR有关系。这个纹波的频率与开关电源相同,为几十到几百KHz。

 

另外,SWITCH一般选用双极性晶体管或者MOSFET,不管是哪种,在其导通和截止的时候,都会有一个上升时间和下降时间。这时候在电路中就会出现一个与SWITCH上升下降时间的频率相同或者奇数倍频的噪声,一般为几十MHz。同样二极管D在反向恢复瞬间,其等效电路为电阻电容和电感的串联,会引起谐振,产生的噪声

 

频率也为几十MHz。这两种噪声一般叫做高频噪声,幅值通常要比纹波大得多。

 

2.jpg 

 

如果是AC/DC变换器,除了上述两种纹波(噪声)以外,还有AC噪声,频率是输入AC电源的频率,为50~60Hz左右。还有一种共模噪声,是由于很多开关电源的功率器件使用外壳作为散热器,产生的等效电容导致的。

 

开关电源纹波的测量

 

基本要求:

使用示波器AC耦合

20MHz带宽限制

拔掉探头的地线

 

1、AC耦合是去掉叠加的直流电压,得到准确的波形。

 

2、打开20MHz带宽限制是防止高频噪声的干扰,防止测出错误的结果。因为高频成分幅值较大,测量的时候应除去。

 

3、拔掉示波器探头的接地夹,使用接地环测量,是为了减少干扰。很多部门没有接地环,如果误差允许也直接用探头的接地夹测量。但在判断是否合格时要考虑这个因素。

 

还有一点是要使用50Ω终端。横河示波器的资料上介绍说,50Ω模块是除去DC成分,精确测量AC成分。但是很少有示波器配这种专门的探头,大多数情况是使用标配100KΩ到10MΩ的探头测量,影响暂时不清楚。

 

上面是测量开关纹波时基本的注意事项。如果示波器探头不是直接接触输出点,应该用双绞线,或者50Ω同轴电缆方式测量。

 

在测量高频噪声时,使用示波器的全通带,一般为几百兆到GHz级别。其他与上述相同。可能不同的公司有不同的测试方法。归根到底要清楚自己的测试结果。第二要得到客户认可,

 

关于示波器:

 

有些数字示波器因为干扰和存储深度的原因,无法正确的测量出纹波。这时应更换示波器。这方面有时候虽然老的模拟示波器带宽只有几十兆,但表现要比数字示波器好。

 

开关电源纹波的抑制

 

对于开关纹波,理论上和实际上都是一定存在的。 通常抑制或减少它的做法有三种:

 

1,加大电感和输出电容滤波

 

根据开关电源的公式,电感内电流波动大小和电感值成反比,输出纹波和输出电容值成反比。所以加大电感值和输出电容值可以减小纹波。

 

3.png 

 

上图是开关电源电感L内的电流波形,其纹波电流△I可由下式算出:

 

4.png 

 

可以看出,增加L值,或者提高开关频率可以减小电感内的电流波动。

 

同样,输出纹波与输出电容的关系:vripple=Imax/(Co×f)。 可以看出,加大输出电容值可以减小纹波。

 

通常的做法,对于输出电容,使用铝电解电容以达到大容量的目的。但是电解电容在抑制高频噪声方面效果不是很好,而且ESR也比较大,所以会在它旁边并联一个陶瓷电容,来弥补铝电解电容的不足。

 

同时,开关电源工作时,输入端的电压Vin不变,但是电流是随开关变化的。这时输入电源不会很好地提供电流,通常在靠近电流输入端(以BucK型为例,是SWITcH附近),并联电容来提供电流。

 

应用该对策后,BUCK型开关电源如下图所示:

 

5.jpg 

 

上面这种做法对减小纹波的作用是有限的。因为体积限制,电感不会做的很大;输出电容增加到一定程度,对减小纹波就没有明显的效果了;增加开关频率,又会增加开关损失。所以在要求比较严格时,这种方法并不是很好。

 

关于开关电源的原理等,可以参考各类开关电源设计手册。

 

2,二级滤波,就是再加一级LC滤波器

 

LC滤波器对噪纹波的抑制作用比较明显,根据要除去的纹波频率选择合适的电感电容构成滤波电路,一般能够很好的减小纹波。

 

但是,这种情况下需要考虑反馈比较电压的采样点。(如下图所示)

 

6.jpg 

 

采样点选在LC滤波器之前(Pa),输出电压会降低。因为任何电感都有一个直流电阻,当有电流输出时,在电感上会有压降产生,导致电源的输出电压降低。而且这个压降是随输出电流变化的。

 

采样点选在LC滤波器之后(Pb),这样输出电压就是我们所希望得到的电压。但是这样在电源系统内部引入了一个电感和一个电容,有可能会导致系统不稳定。关于系统稳定,很多资料有介绍,这里不详细写了。

 

3,开关电源输出之后,接LDO滤波

 

这是减少纹波和噪声有效的办法,输出电压恒定,不需要改变原有的反馈系统,但也是成本高,功耗高的办法。

 

任何一款LDO都有一项指标:噪音抑制比。是一条频率-dB曲线,如右图是凌特公司LT3024的曲线。

 

7.jpg 

 

经过LDO之后,开关纹波一般在10mV以下。

 

下图是LDO前后的纹波对比:

 

8.jpg 

 

对比曲线上图的曲线和左图的波形,可以看出对几百KHz的开关纹波,LDO的抑制效果非常好。但在高频范围内,该LDO的效果就不那么理想了。

 

对减小纹波。开关电源的PCB布线也非常关键,这是个很赫手的问题。有专门的开关电源PCB 工程师,简单的可以参考美国国半公司的AN1229:SIMPLE SWITCHER PCB Layout Guidelines, (网上有翻译的中文摘要)

 

对于高频噪声,由于频率高幅值较大,后级滤波虽然有一定作用,但效果不明显。这方面有专门的研究,简单的做法是在二极管上并电容C或RC,或串联电感。

 

4,在二极管上并电容C或RC

 

9.png 

 

上图是实际用二极管的等效电路。二极管高速导通截止时,要考虑寄生参数。在二极管反向恢复期间,等效电感和等效电容成为一个RC振荡器,产生高频振荡。为了抑制这种高频振荡,需在二极管两端并联电容C或RC缓冲网络。电阻一般取10Ω-100  Ω,电容取4.7pF-2.2nF。

 

在二极管上并联的电容C或者RC,其取值要经过反复试验才能确定。如果选用不当,反而会造成更严重的振荡。

 

对高频噪声要求严格的话,可以采用软开关技术。关于软开关,有很多书专门介绍。

 

5,二极管后接电感(EMI滤波)

 

这也是常用的抑制高频噪声的方法。针对产生噪声的频率,选择合适的电感元件,同样能够有效地抑制噪声。需要注意的是,电感的额定电流要满足实际的要求。比较简单的做法,不再详细解释。

 

小结

 

以上是关于开关电源纹波,总结的一些内容,如果能加些波形就更好了。虽然可能不太全,但对一般的应用已经足够了。关于噪声抑制,实际中并不一定全部应用,重要的是根据自己的设计要求,比如产品体积,成本,开发周期等,选择合适的方法。


版权声明:

本站发布的有些文章部分内容来源于互联网。如有侵权,请联系我们,我们会尽快删除。

导航栏目

联系我们

联系人:张总

手机:18016426289

电话:18016426289

邮箱:26586601@qq.com

地址: 上海市青浦区北青公路6588号